Thermal Properties of Concrete in the Development of Precast Walls for Thermoelectricity Generation Utilizing Thermoelectric Principles
A Novel Sliding Mode Filter with Implicit-Euler Discretization for Simultaneous Noise Attenuation and Derivative Estimation
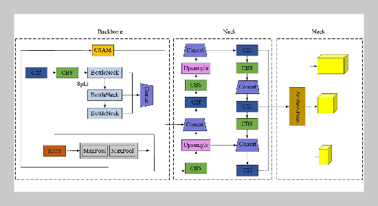
Research on Industrial Control Button Detection and Robotic Arm Autonomous Navigation Method Based on Multi-Scale Attention YOLOv8s and Dynamic SLAM
Lie symmetry and conserved quantities for time-delayed fractional mechanical systems based on fractional factor
Microgrid stability control in both islanded and connected modes based on sailfish optimization algorithm considering solar energy sources
Design Of CCM Boost Converter Using Fractional-Order Pid and Backstepping Techniques for Power Factor Correction
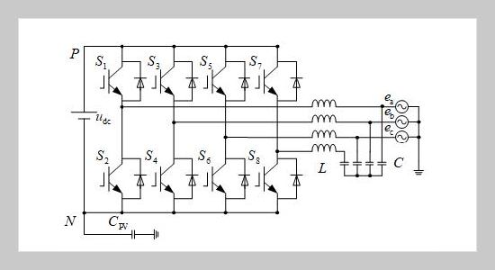
Improved Dual-vector Model Predictive Control for Common-mode Voltage Constant on a Grid-connected Inverter
A novel DABU-Net model based on principle component analysis for intelligent collaborative robot design
Analysis and Suppression Study of Transient Overvoltage of Mechanical Insulated Rail Joint in High-speed Railway Station