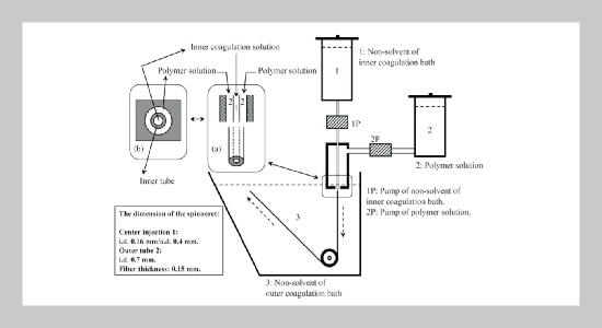
Effect of Inner Non-solvent Condition on Morphology of PVDF Hollow Fiber Membranes Prepared by NIPS Spinning Process
Stoneley Waves at the Boundary Surface of Modified Couple Stress Generalized Thermoelastic with Mass Diffusion