Modular Multi-Input Bidirectional DC to DC Converter for Multi-Source Hybrid Electric Vehicle Applications
Unsteady free convection flow of water-based carbon nanotubes due to non-coaxial rotations of moving disk
Extraction and Physicochemical Properties of Refined Kappa-Carrageenan from Kappaphycus alvarezii Originated from Semporna, Sabah
Influence of Solution Heat Treatment on Microstructure and Tensile Properties of Gd-Treated Al-15% Mg2Si In-Situ Composites
Forced convection boundary layer flow in a thin nanofluid film on a stretching sheet under the effects of suction and injection
Potential use of spherical glass sourced from cathode ray tube funnel glass for the application as coarse aggregate in concrete
Effects of nano CaCO3 on the water absorption, tensile and impact properties of unsaturated polyester composites
Acetylcholinesterase (AChE) of Diodon hystrix brain as an alternative biomolecule in heavy metals biosensing
Partially hydrolyzed polyacrylamide apparent viscosity in porous media enhancement by silica dioxide nanoparticles under high temperature and high salinity
Facile electrochemical synthesis of triangle-shaped graphene nanoflakes and graphene quantum dots via surfactant-assisted and defect-induced mechanism
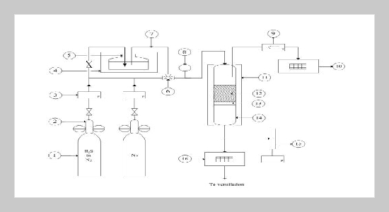
Influence of Surface Characteristics of Palm Shell Activated Carbon Modified with Nanostructured Nickel for Reactive Adsorption of Hydrogen Sulfide
A lightweight model for multi-traffic object detection based on deep learning under complex traffic conditions