Optimization of flexural properties of glass/carbon/durian skin fiber reinforced polymer composites using the mixture design approach
Prescribed Performance Function Based Sliding Mode Control of Opposing Pneumatic Artificial Muscles to Enhance Safety
Optimization Design and Characteristic Analysis of the New Magnetic Steel Structure Electromagnetic Actuator
Assessment of the Effects of Soil-Structure Interaction on the Seismic Response of the RC Frame Buildings by Developing Seismic Fragility Curves Based on SPO2IDA Analysis
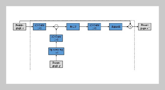
A Novel U-Net Model Based on Multi-channel Attention Mechanism for Art Aesthetics Image Automatic Segmentation in Design
Effect Of Waste Plastic Strip On The Shear Strength And Permeability Characteristics Of Black Cotton Soil
Biorefinery approaches for production of cellulosic ethanol fuel using recombinant engineered microorganisms