A PQ Control Strategy using Feedback Linearization Theory for a Three-phase Four-wire Grid-Connected Inverter in an AC Battery
Design Of CCM Boost Converter Using Fractional-Order Pid and Backstepping Techniques for Power Factor Correction
Optical Solution Parameter Dynamics By Variational Principle: Parabolic And Dual–Power Laws (Super–Gaussian And Super–Sech Pulses)
Approach for determining cut-off values for electric motorcycle swap battery before the end-of-life in the recycling classification
Similarity Solution of Unsteady Convective MHD Flow of Viscous Incompressible Fluid Over an Inclined Porous Surface with Ohmic Heating and Viscous Dissipation
Research on Settlement Control and Slope Stability of Prefabricated Beam Field for High Fill Roadbed in Mountain Areas
Utilizing Gaussian Process Regression Model Enhanced by Metaheuristic Algorithms to Forecast Undrained Shear Strength
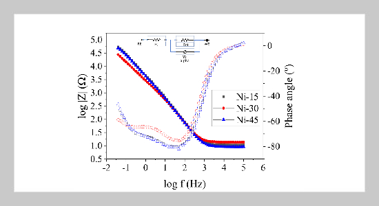
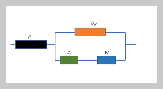
Experimental study on corrosion behavior of N20 steel by HCO3- concentration in multiple-ions coexisting oilfield produced water
Solution of Linear Fuzzy Stochastic Ordinary Differential Equations Using Homotopy Perturbation Method