Homotopy Analysis Method for Solving Fuzzy Variable – Order Fractional Partial Differential Equations with Proportional Delay
Preparation and Performance Optimization of Bacterial Slag-Based Activated Carbon Considering Hardness and Electrical Properties
The Effect of Time, Frother and Collector Concentration on the Purification of Ruwai Galena Ore via Agitated Froth Flotation: A Comparative Study with Column Flotation
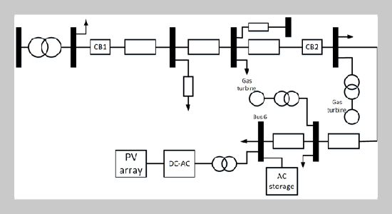
Microgrid stability control in both islanded and connected modes based on sailfish optimization algorithm considering solar energy sources
Improving Energy Efficiency in Building Operations through Enhanced Cooling Load Prediction using Decision Tree Model and Dual Meta-Heuristic Optimizations
Advancing Safety in Mining: Machine Learning Approaches for Predicting and Classifying Seismic Bump-Associated Hazardous States
Addressing Phishing Threats Using a Metaheuristic Perspective on Machine Learning Classification Models Code