Events Detection for Audio Based Surveillance by Variable-Sized Decision Windows Using Fuzzy Logic Control
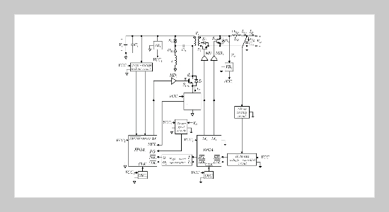
Applying FPGA-Based SR Control to Hysteresis Voltage-Controlled Forward Converter to Enhance Transient Response
Computer Simulation of Directional Solidification of Binary Alloy Calculated under Personal Computer Platform
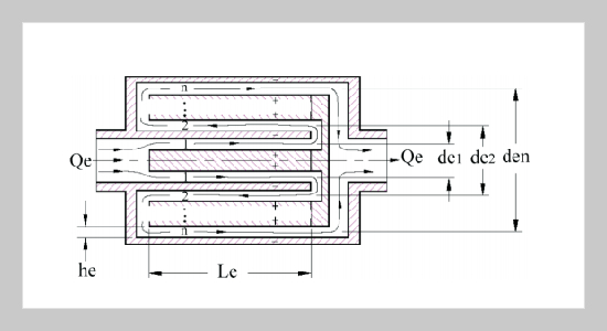
Performance Improvement in a Concentric Circular Heat Exchanger with External Recycle under Uniform Wall Fluxes