An Experimental Study on Performance of Bacillus pumilus KC845305 and Bacillus flexus KC845306 in Bacterial Concrete
Water Absorption and Impact Strength of Alkali-Treated Bamboo Fiber/Polystyrene-Modified Unsaturated Polyester Composites
An Efficient Feature Point Reconstruction Method for Robotic Visual Servoing Based on Multiple Cameras
Electricity Generation from Exhaust Waste Heat of Internal Combustion Engine Using Al2O3 Thermoelectric Generators
Adsorption Isotherm of NaCl from Aqueous Solutions onto Activated Carbon Cloth to Enhance Membrane Filtration
Effect of Periodic Change of Ambient Temperature on the Temperature Field in the Single Disc Floating Roof Oil Tank
Experimental Research on Leakage and Diffusion Characteristics and Leakage Quantity Prediction of Underwater Gas Pipeline
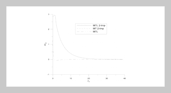
Mechanical Changes Due to Pulse Heating in a Microstretch Thermoelastic Half-Space with Two-Temperatures
Enhanced Attack Blocking in IoT Environments: Engaging Honeypots and Machine Learning in SDN OpenFlow Switches