MRCNNAM: Mask Region Convolutional Neural Network Model Based On Attention Mechanism And Gabor Feature For Pedestrian Detection
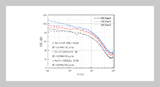
Research On Aerodynamic Resistance And Noise Of Mechanical External Windscreen Between Passenger Vehicles
Raw Water Sources For Water Supply In Bangkok Metropolitan Administration During Seawater Intrusion Period
Analysis Of The Influencing On The Extension Limit Of A Horizontal Wells With Ultra-Long Horizontal Sections