An Innovative Wavelet Neural-network Algorithm For Recovering Damaged Blocks In High-resolution Digital Images
Simulation And Analysis Of Calorific Value For Biomass Solid Waste As A Potential Solid Fuel Source For Power Generation
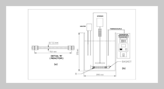
Optimization Of Phenolic Compounds And Antioxidant Extraction From Piper Betle Linn. Leaves Using Pressurized Hot Water
Wind Tunnel Experiment: Temperature And Starting Torque Affect PMSG Generator When Connected To Vertical Axis Wind Turbine Blade
A Knowledge-Based Framework for Cost Implication Modeling of Mechanically Repairable Systems with Imperfect Preventive Maintenance and Replacement Schedule
Retinex-based And Phase Stretch Transformation For Robot Power Equipment Infrared Heat Map Enhancement And Segmentation
DRN-LSTM: A Deep Residual Network Based On Long Short-term Memory Network For Students Behaviour Recognition In Education