Adsorption Using Biochar from Palm Oil Empty Fruit Bunches for Advanced Treatment of Palm Oil Mill Secondary Effluent
Durability Prediction of Lightweight Concrete Structure Considering Pre-Compressive Stress Based on Probabilistic Theory
An application of the GWO-ELM hybrid model to the accurate 2 prediction of solar radiation for the purpose of sustainable energy 3 integration
Student behavior recognition based on multi-view learning via mask RCNN and its application in education management
Auxiliary Model-Based Multiple Innovation Recursive Algorithm on Nonlinear Systems utilizing KeyTerm Separation Technique
Medical data privacy protection based on blockchain asymmetric encryption algorithm and generative adversarial network
Performance evaluation and sensitivity analysis of a low- capacity single-effect LiBr-H2O absorption cooling system using energy and exergy modeling
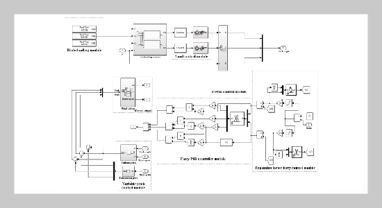
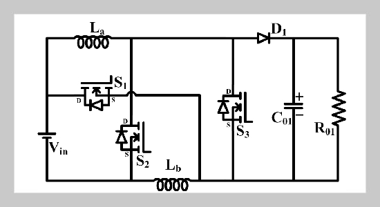
Considering the Remaining Useful Life of Lithium Batteries for Modern Tram Power System Capacity Configuration
Enhanced Deep Learning Approaches for Diagnosing Drilling Machine Failures Using Gramian Angular Field and Markov Transition Field Encoding
Carbon nanodots from used green tea biochar: antibacterial applications and antibiofilm carbon coatings
Behavior Anomaly Detection Based on Multi-modal Feature Fusion and Its Application in English Teaching
Sensor Image, Anomaly Detection Method for Hydroelectric Dam Structure Using Sensors Measurements and Deep Learning